Trang chủ Công Nghệ Lớp 10 Thiết kế mạch điện trong nhà gồm có 1 cầu...

Thiết kế mạch điện trong nhà gồm có 1 cầu dao tổng. 2 attomat, 2 cầu chì , 2 ổ cắm, 2 bóng đèn Ai giúp em vs ạ e hứa vote 5s - câu hỏi 3953825

Câu hỏi :

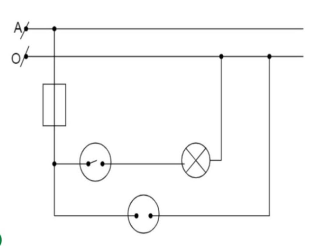
Thiết kế mạch điện trong nhà gồm có 1 cầu dao tổng. 2 attomat, 2 cầu chì , 2 ổ cắm, 2 bóng đèn Ai giúp em vs ạ e hứa vote 5s

Lời giải 1 :

mik sửa lại rùi nha

 

image
image

Thảo luận

-- Hình như thiếu mất rồi ạ
-- ù vậy hả mik cx ko chắc về đ/á của mik lắm, vì cái này mik đã làm từ lâu rồi nên ko nhớ kĩ cho lắm
-- Vẽ lại giúp vs ạ
-- mik sửa kaij rồi bạn xem có đúng ko mik ko nhớ lắm đâu mấy năm rồi nên mik ko nhớ kĩ đc

Bạn có biết?

Công nghệ (tiếng Anh: technology) là sự phát minh, sự thay đổi, việc sử dụng, và kiến thức về các công cụ, máy móc, kỹ thuật, kỹ năng nghề nghiệp, hệ thống, và phương pháp tổ chức, nhằm giải quyết một vấn đề, cải tiến một giải pháp đã tồn tại, đạt một mục đích, hay thực hiện một chức năng cụ thể đòi hỏi hàm lượng chất xám cao. Công nghệ ảnh hưởng đáng kể lên khả năng kiểm soát và thích nghi của con người cũng như của những động vật khác vào môi trường tự nhiên của mình.

Nguồn : Wikipedia - Bách khoa toàn thư

Tâm sự 10

Lớp 10 - Năm thứ nhất ở cấp trung học phổ thông, năm đầu tiên nên có nhiều bạn bè mới đến từ những nơi xa hơn vì ngôi trường mới lại mỗi lúc lại xa nhà mình hơn. Được biết bên ngoài kia là một thế giới mới to và nhiều điều thú vị, một trang mới đang chò đợi chúng ta.

Nguồn : ADMIN :))

Copyright © 2021 HOCTAP247